コンテンツへスキップ
CAH

CAH

コンピュータで人を支援

  • トップページ
  • CAHの業務紹介
  • 学習支援サイト
    • シーケンス回路論
    • ラダー回路例
      • OR回路
      • AND回路
      • 禁止回路の変換
      • 自己保持回路
      • インターロック回路
      • 定周期の処理(ワンショット)
      • 定周期処理(HIGH幅指定)
      • カウンタとタイマを組み合わせた長時間タイマ
      • 無手順シリアル通信のラダーについて(4525)
    • 初心者のためのリレー回路入門
      • 岩井君のシーケンス教室ー1
      • 岩井君のシーケンス教室ー2
      • 岩井君のシーケンス教室-番外編
    • ラダー→Arduinoプログラム
      • CプログラムOUT命令
      • Arduino(自己保持)
      • Arduino(SET、RST命令)
      • Arduino(タイマ)
      • Arduino(カウンタ)
  • 商品情報
    • 連枝
      • 連枝の詳細
      • 連枝引継ぎの経緯
      • 開発可能なマイコン
      • サポート命令と特殊補助リレー
      • 特定商取引法に基づく表記
      • ハードウェアの変更案件
      • ライブラリ構成
      • 「連枝」ソフト価格表
      • 「連枝」ソフトウェア購入希望
      • 「連枝」ハード価格表
      • 「連枝」ハードウェア購入希望
      • 連枝の使い方
      • 外部I/Oの接続
      • ユーザ様の製作事例
      • 認証手続き・依頼
      • ご要望一覧
      • 連枝に関する不具合のお問い合わせ
      • 拡張機能(IOの増設)
        • マルチ拡張
        • Expander拡張
        • I2C拡張
        • CAN拡張
        • 拡張その他
      • 割込み回路1(設計の仕方)
      • 割込み回路2(割り込み回路を実働させる)
      • S版ダウンロード
    • PLC-IO86(DIPPLC)のご紹介
      • PLC-IO86(DIPPLC)の性能仕様
      • PLC-IO86(DIPPLC)の対応デバイスとコマンド
      • 採用事例
      • PLC-IO86の機能紹介(動画集)
      • シリアル通信プロトコル
      • 展開事例
      • PLC-IO86シリーズ購入希望
      • PLC-IO86(DIPPLC)ダウンロードサイト
      • PLC-IO86 の参考資料集
    • 空気圧機器実習シミュレータとPLC実習ソフトウェア
      • ソフトウェアの解説および動画
      • 空気圧機器実習シミュレータの特徴
      • 空気圧機器実習シミュレータ購入希望
      • サポート・お問合せについて
  • 第2種電気工事士対策
    • 複線図練習(試作)
    • 平成30年公表問題複線図練習(試作)
    • 鑑別練習(試作)
  • お問い合わせフォーム
  • 連枝の情報投稿(小ネタ等)
  • 不具合情報
  • 連枝によるWROOM32開発
    • 概要
    • 開発環境
    • Wifi(S版・P版)
    • AD/DA命令(P版)
    • PULSE命令(P版)
    • ENCO命令(P版)
  • 連枝不具合等Q&A
  • バージョンアップ内容
  • 連枝の認証方式について
CAH

jikohoji

  • Tweet
  • Email
  • Tweet
  • Email
投稿日: 2018年11月1日 フルサイズ 691 × 413

投稿ナビゲーション

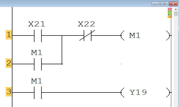
ラダー→Arduino(自己保持) 内で公開

連枝のサポート

  • PIC18F4525でロードモジュール用ADコンバータHX711の使用 2019年9月1日
  • 連枝PIC16F88でデータの停電保持 2019年9月1日
  • 連枝のシリアル通信(無手順通信)でGPS/GNSS取得 2019年5月19日
  • 連枝によるシリパラ変換IC BU2090制御 2019年5月4日
  • 連枝PIC16F88CPUにMCP23008のIO拡張 2019年5月4日
  • トップページ
  • CAHの業務紹介
  • 学習支援サイト
    • シーケンス回路論
    • ラダー回路例
      • OR回路
      • AND回路
      • 禁止回路の変換
      • 自己保持回路
      • インターロック回路
      • 定周期の処理(ワンショット)
      • 定周期処理(HIGH幅指定)
      • カウンタとタイマを組み合わせた長時間タイマ
      • 無手順シリアル通信のラダーについて(4525)
    • 初心者のためのリレー回路入門
      • 岩井君のシーケンス教室ー1
      • 岩井君のシーケンス教室ー2
      • 岩井君のシーケンス教室-番外編
    • ラダー→Arduinoプログラム
      • CプログラムOUT命令
      • Arduino(自己保持)
      • Arduino(SET、RST命令)
      • Arduino(タイマ)
      • Arduino(カウンタ)
  • 商品情報
    • 連枝
      • 連枝の詳細
      • 連枝引継ぎの経緯
      • 開発可能なマイコン
      • サポート命令と特殊補助リレー
      • 特定商取引法に基づく表記
      • ハードウェアの変更案件
      • ライブラリ構成
      • 「連枝」ソフト価格表
      • 「連枝」ソフトウェア購入希望
      • 「連枝」ハード価格表
      • 「連枝」ハードウェア購入希望
      • 連枝の使い方
      • 外部I/Oの接続
      • ユーザ様の製作事例
      • 認証手続き・依頼
      • ご要望一覧
      • 連枝に関する不具合のお問い合わせ
      • 拡張機能(IOの増設)
        • マルチ拡張
        • Expander拡張
        • I2C拡張
        • CAN拡張
        • 拡張その他
      • 割込み回路1(設計の仕方)
      • 割込み回路2(割り込み回路を実働させる)
      • S版ダウンロード
    • PLC-IO86(DIPPLC)のご紹介
      • PLC-IO86(DIPPLC)の性能仕様
      • PLC-IO86(DIPPLC)の対応デバイスとコマンド
      • 採用事例
      • PLC-IO86の機能紹介(動画集)
      • シリアル通信プロトコル
      • 展開事例
      • PLC-IO86シリーズ購入希望
      • PLC-IO86(DIPPLC)ダウンロードサイト
      • PLC-IO86 の参考資料集
    • 空気圧機器実習シミュレータとPLC実習ソフトウェア
      • ソフトウェアの解説および動画
      • 空気圧機器実習シミュレータの特徴
      • 空気圧機器実習シミュレータ購入希望
      • サポート・お問合せについて
  • 第2種電気工事士対策
    • 複線図練習(試作)
    • 平成30年公表問題複線図練習(試作)
    • 鑑別練習(試作)
  • お問い合わせフォーム
  • 連枝の情報投稿(小ネタ等)
  • 不具合情報
  • 連枝によるWROOM32開発
    • 概要
    • 開発環境
    • Wifi(S版・P版)
    • AD/DA命令(P版)
    • PULSE命令(P版)
    • ENCO命令(P版)
  • 連枝不具合等Q&A
  • バージョンアップ内容
  • 連枝の認証方式について
  • トップページ
  • CAHの業務紹介
  • 学習支援サイト
    • シーケンス回路論
    • ラダー回路例
      • OR回路
      • AND回路
      • 禁止回路の変換
      • 自己保持回路
      • インターロック回路
      • 定周期の処理(ワンショット)
      • 定周期処理(HIGH幅指定)
      • カウンタとタイマを組み合わせた長時間タイマ
      • 無手順シリアル通信のラダーについて(4525)
    • 初心者のためのリレー回路入門
      • 岩井君のシーケンス教室ー1
      • 岩井君のシーケンス教室ー2
      • 岩井君のシーケンス教室-番外編
    • ラダー→Arduinoプログラム
      • CプログラムOUT命令
      • Arduino(自己保持)
      • Arduino(SET、RST命令)
      • Arduino(タイマ)
      • Arduino(カウンタ)
  • 商品情報
    • 連枝
      • 連枝の詳細
      • 連枝引継ぎの経緯
      • 開発可能なマイコン
      • サポート命令と特殊補助リレー
      • 特定商取引法に基づく表記
      • ハードウェアの変更案件
      • ライブラリ構成
      • 「連枝」ソフト価格表
      • 「連枝」ソフトウェア購入希望
      • 「連枝」ハード価格表
      • 「連枝」ハードウェア購入希望
      • 連枝の使い方
      • 外部I/Oの接続
      • ユーザ様の製作事例
      • 認証手続き・依頼
      • ご要望一覧
      • 連枝に関する不具合のお問い合わせ
      • 拡張機能(IOの増設)
        • マルチ拡張
        • Expander拡張
        • I2C拡張
        • CAN拡張
        • 拡張その他
      • 割込み回路1(設計の仕方)
      • 割込み回路2(割り込み回路を実働させる)
      • S版ダウンロード
    • PLC-IO86(DIPPLC)のご紹介
      • PLC-IO86(DIPPLC)の性能仕様
      • PLC-IO86(DIPPLC)の対応デバイスとコマンド
      • 採用事例
      • PLC-IO86の機能紹介(動画集)
      • シリアル通信プロトコル
      • 展開事例
      • PLC-IO86シリーズ購入希望
      • PLC-IO86(DIPPLC)ダウンロードサイト
      • PLC-IO86 の参考資料集
    • 空気圧機器実習シミュレータとPLC実習ソフトウェア
      • ソフトウェアの解説および動画
      • 空気圧機器実習シミュレータの特徴
      • 空気圧機器実習シミュレータ購入希望
      • サポート・お問合せについて
  • 第2種電気工事士対策
    • 複線図練習(試作)
    • 平成30年公表問題複線図練習(試作)
    • 鑑別練習(試作)
  • お問い合わせフォーム
  • 連枝の情報投稿(小ネタ等)
  • 不具合情報
  • 連枝によるWROOM32開発
    • 概要
    • 開発環境
    • Wifi(S版・P版)
    • AD/DA命令(P版)
    • PULSE命令(P版)
    • ENCO命令(P版)
  • 連枝不具合等Q&A
  • バージョンアップ内容
  • 連枝の認証方式について
CAH Proudly powered by WordPress